Oferta

Oferujemy produkcję śrub oraz elementów złącznych przeznaczonych do wymagających zastosowań przemysłowych. Realizujemy wyroby zgodnie z normami PN, DIN i ISO, jak również na podstawie dokumentacji technicznej i indywidualnych wymagań klienta, zapewniając wysoką jakość, powtarzalność i terminowość dostaw.

Kotwy transportowe systemy gwintowanego

Pręt mufowy prosty

Normy: Pręty mufowe proste stosuje się głównie w płaskich prefabrykatach, np. ścianach garaży, budkach transformatorów, podporach studni itp. Tulejka jest cynkowana lub chromowana z gwintem Rd, który przed montażem należy zabezpieczyć olejem antyadhezyjnym lub plastikową zatyczką. Przy stalowym szalunku zaleca się system magnetyczny. Długości i średnice można dostosować indywidualnie, pod warunkiem określenia nośności połączenia.

Pręt mufowy odginany

Normy: Pręty mufowe odginane są odpowiednie przede wszystkich dla płaskich prefabrykatów. Aby do gwintu nie dostały się nieczystości lub beton, zalecamy użycie plastikowej zatyczki. Podczas używania stalowego szalunku, zaleca się używanie systemu magnetycznego.
Nietypowe rozmiary wg indywidualnych potrzeb, ale w takich przypadkach należy określić nośność takiego nietypowego połączenia.

Pręt mufowy prosty ze stopką


Normy: Pręty mufowe proste formowane jako podłużne z mufą, ale ze stalową stopką – są odpowiednie przede wszystkich dla płaskich 
prefabrykatów jak np. ściany w garażach czy budkach transformatorów, podporach studni i itp. Tulejka jest cynkowana galwanicznie bądź chromowana, z gwintem Rd, który powinno się przed montażem pomalować olejem antyadhezyjnym do szalunku.

Aby do gwintu nie dostały się nieczystości lub beton, zalecamy użycie plastikowej zatyczki. Podczas używania stalowego szalunku, zaleca się używanie systemu magnetycznego.
Dostępne są nietypowe rozmiary wg indywidualnych potrzeb, ale w takich przypadkach należy określić nośność takiego nietypowego połączenia mufowego.


DWK – Kotwa falowa – krótki model

Normy: Jest wykonany przede wszystkim jako pręt mufowy, ale z faliście zagiętą nogą z pręta zbrojeniowego. Jest odpowiednia przede wszystkim dla wąskich prefabrykatów i do zabudowania cienkich ścian. W galwanicznie ocynkowanej, chromowanej bądź wykonanej ze stali szlachetnej tulejce wykonano gwint Rd, który powinno się przed montażem natrzeć olejem. Aby, do gwintu nie dostały się nieczystości lub beton, zalecamy użycie plastikowej zatyczki. Podczas używania stalowego szalunku, zaleca się używanie systemu magnetycznego.
Dostępne są nietypowe rozmiary wg indywidualnych potrzeb, ale w takich przypadkach należy określić nośność takiego 
nietypowego połączenia mufowego.


DWL – Kotwa falowa – długi model

Normy: Jest wykonany przede wszystkim jako pręt mufowy, ale z faliście zagiętą nogą z pręta zbrojeniowego. Jest odpowiednia przede wszystkim dla wąskich prefabrykatów i do zabudowania cienkich ścian. W galwanicznie ocynkowanej, chromowanej bądź wykonanej ze stali szlachetnej tulejce wykonano gwint Rd, który powinno się przed montażem natrzeć olejem. Aby, do gwintu nie dostały się nieczystości lub beton, zalecamy użycie plastikowej zatyczki. Podczas używania stalowego szalunku, zaleca się używanie systemu magnetycznego.
Dostępne są nietypowe rozmiary wg indywidualnych potrzeb, ale w takich przypadkach należy określić nośność takiego 
nietypowego połączenia mufowego.


Kotwy gwintowane hakowe

Normy: Tego typu kotwy są odpowiednie przede wszystkich dla prefabrykatów jak np.: belki, ściany w garażach czy budkach transformatorów, podporach studni i itp. Tulejka jest cynkowana galwanicznie bądź chromowana, z gwintem Rd, który powinno się przed montażem pomalować olejem antyadhezyjnym do szalunku. Aby do gwintu nie dostały się nieczystości lub beton, zalecamy użycie plastikowej zatyczki. Podczas używania stalowego szalunku, zaleca sięużywanie systemu magnetycznego.
Dostępne są nietypowe rozmiary wg indywidualnych potrzeb, ale w takich przypadkach należy określić nośność takiego nietypowego połączenia mufowego.

Kotwa śrubowa

Normy: Kotwy te są odpowiednie przede wszystkim dla płaskich prefabrykatów oraz belek z wąskimi półkami.

Tuleja transportowa z otworem

Normy: Te tulejki dzięki małym rozmiarom, są odpowiednie dla niemal wszystkich typów prefabrykatów. Do galwanicznie ocynkowanej, 
chromowanej bądź wykonanej ze stali szlachetnej tulejki jest wryty gwint Rd, który powinno się przed montażem natrzeć olejem. 
Aby, do gwintu nie dostały się nieczystości lub beton, zalecamy użycie plastikowej zatyczki. Podczas używania stalowego szalunku, zaleca się stosować system magnetyczny.

Pętla transportowa

Normy: Pętle transportowe są opatrzone plastikową etykietą z oznaczeniem nośności i umożliwiającej osiowe oraz ukośne przesuięcie aż do maksymalnego kąta 45° w stosunku do osi kotwy. Jest to uzależnione od dopełnienia zbrojenia w obszarze główki kotwy, która przeniesie ukośne przesunięie. Te uchwyty mogą być używane także w przypadku, kiedy do uchwycenia kotwy transportowej nie była użyta podkładka a kotwa jest równo z powierzchnią prefabrykatu. Podkreśla się, że promień haka obrotowego musi być zawsze przynajmniej 2x większy niż średnica linki pętli a przy nośności powyżej 10 ton co najmniej 5x większy. Zmniejsza to tym samym zużycie pętli i zwiększa jej trwałość.
Linka nie może stykać się z materiałami żrącymi i płynami takimi jak np. kwasy, które mogły spowodować znaczącą korozję. Okrągły uchwyt musi być łatwo, luźno wkręcony do gwintu kotwy.
Kontrole uchwytów pętlowych z gwintem muszą być przeprowadzane przez specjalnego wyszkolonego pracownika przynajmniej raz rocznie. Przy częstszym używaniu tych uchwytów, kontrole również należy przeprowadzać częściej!


Gwintowane pręty łączące KBS

Pręt gwintowany KBS1-A – „męski“

Normy: Elementy łączące wykonane są z żebrowanej stali zbrojeniowej i zaopatrzone w gwint metryczny. System tulejowy składa się 
z żebrowanej stali zbrojeniowej i zaciśniętej na niej tulei, która również jest nagwintowana metrycznie. System KBS dzieli się 
na dwie podstawowe grupy: KBS1 gdzie średnica gwintu i stali żebrowanej jest identyczna oraz KBS2, gdzie średnica gwintu
jest większa niż stali żebrowanej.


Tuleja z prętem KBS1-B – „żeńska“

Normy: Elementy łączące wykonane są z żebrowanej stali zbrojeniowej i zaopatrzone w gwint metryczny. System tulejowy składa się 
z żebrowanej stali zbrojeniowej i zaciśniętej na niej tulei, która również jest nagwintowana metrycznie. System KBS dzieli się 
na dwie podstawowe grupy: KBS1 gdzie średnica gwintu i stali żebrowanej jest identyczna oraz KBS2, gdzie średnica gwintu
jest większa niż stali żebrowanej.


Pręt gwintowany KBS1-AA

Normy: Elementy łączące wykonane są z żebrowanej stali zbrojeniowej i zaopatrzone w gwint metryczny. System tulejowy składa się 
z żebrowanej stali zbrojeniowej i zaciśniętej na niej tulei, która również jest nagwintowana metrycznie. System KBS dzieli się 
na dwie podstawowe grupy: KBS1 gdzie średnica gwintu i stali żebrowanej jest identyczna oraz KBS2, gdzie średnica gwintu
jest większa niż stali żebrowanej.


Pręt gwintowany KBS1-BB

Normy: Elementy łączące wykonane są z żebrowanej stali zbrojeniowej i zaopatrzone w gwint metryczny. System tulejowy składa się 
z żebrowanej stali zbrojeniowej i zaciśniętej na niej tulei, która również jest nagwintowana metrycznie. System KBS dzieli się 
na dwie podstawowe grupy: KBS1 gdzie średnica gwintu i stali żebrowanej jest identyczna oraz KBS2, gdzie średnica gwintu
jest większa niż stali żebrowanej.


Pręt gwintowany KBS1-AB

Normy: Elementy łączące wykonane są z żebrowanej stali zbrojeniowej i zaopatrzone w gwint metryczny. System tulejowy składa się 
z żebrowanej stali zbrojeniowej i zaciśniętej na niej tulei, która również jest nagwintowana metrycznie. System KBS dzieli się 
na dwie podstawowe grupy: KBS1 gdzie średnica gwintu i stali żebrowanej jest identyczna oraz KBS2, gdzie średnica gwintu
jest większa niż stali żebrowanej.


Pręt gwintowany KBS1-wygieta

Normy: Elementy łączące wykonane są z żebrowanej stali zbrojeniowej i zaopatrzone w gwint metryczny. System tulejowy składa się 
z żebrowanej stali zbrojeniowej i zaciśniętej na niej tulei, która również jest nagwintowana metrycznie. System KBS dzieli się 
na dwie podstawowe grupy: KBS1 gdzie średnica gwintu i stali żebrowanej jest identyczna oraz KBS2, gdzie średnica gwintu
jest większa niż stali żebrowanej.

Gwintowane pręty łączące KBS 2

Pręt gwintowany KBS2-A – „męski“

Normy: Elementy łączące wykonane są z żebrowanej stali zbrojeniowej i zaopatrzone w gwint metryczny. System tulejowy składa się 
z żebrowanej stali zbrojeniowej i zaciśniętej na niej tulei, która również jest nagwintowana metrycznie. System KBS dzieli się 
na dwie podstawowe grupy: KBS1 gdzie średnica gwintu i stali żebrowanej jest identyczna oraz KBS2, gdzie średnica gwintu
jest większa niż stali żebrowanej.


Tuleja z prętem KBS2-B – „żeńska“

Normy: Elementy łączące wykonane są z żebrowanej stali zbrojeniowej i zaopatrzone w gwint metryczny. System tulejowy składa się 
z żebrowanej stali zbrojeniowej i zaciśniętej na niej tulei, która również jest nagwintowana metrycznie. System KBS dzieli się 
na dwie podstawowe grupy: KBS1 gdzie średnica gwintu i stali żebrowanej jest identyczna oraz KBS2, gdzie średnica gwintu
jest większa niż stali żebrowanej.


Pręt gwintowany KBS2-AA

Normy: Elementy łączące wykonane są z żebrowanej stali zbrojeniowej i zaopatrzone w gwint metryczny. System tulejowy składa się 
z żebrowanej stali zbrojeniowej i zaciśniętej na niej tulei, która również jest nagwintowana metrycznie. System KBS dzieli się 
na dwie podstawowe grupy: KBS1 gdzie średnica gwintu i stali żebrowanej jest identyczna oraz KBS2, gdzie średnica gwintu
jest większa niż stali żebrowanej.

Pręt gwintowany KBS2-BB

Normy: Elementy łączące wykonane są z żebrowanej stali zbrojeniowej i zaopatrzone w gwint metryczny. System tulejowy składa się 
z żebrowanej stali zbrojeniowej i zaciśniętej na niej tulei, która również jest nagwintowana metrycznie. System KBS dzieli się 
na dwie podstawowe grupy: KBS1 gdzie średnica gwintu i stali żebrowanej jest identyczna oraz KBS2, gdzie średnica gwintu
jest większa niż stali żebrowanej.


Pręt gwintowany KBS2-AB

Normy: Elementy łączące wykonane są z żebrowanej stali zbrojeniowej i zaopatrzone w gwint metryczny. System tulejowy składa się 
z żebrowanej stali zbrojeniowej i zaciśniętej na niej tulei, która również jest nagwintowana metrycznie. System KBS dzieli się 
na dwie podstawowe grupy: KBS1 gdzie średnica gwintu i stali żebrowanej jest identyczna oraz KBS2, gdzie średnica gwintu
jest większa niż stali żebrowanej.


Pręt gwintowany KBS2-wygiety

Normy: Elementy łączące wykonane są z żebrowanej stali zbrojeniowej i zaopatrzone w gwint metryczny. System tulejowy składa się 
z żebrowanej stali zbrojeniowej i zaciśniętej na niej tulei, która również jest nagwintowana metrycznie. System KBS dzieli się 
na dwie podstawowe grupy: KBS1 gdzie średnica gwintu i stali żebrowanej jest identyczna oraz KBS2, gdzie średnica gwintu
jest większa niż stali żebrowanej.

Śruby dwustronne
(oraz kołnierze, kolana hamburskie, trójniki, uszczelki, itp.)
według gatunków materiału

Śruby dwustronne do połączeń kołnierzowych typu SA, SB, i Z

Normy: PN-68/H-74302, PN-EN ISO 1515-1, DIN 2510.

Nakrętki sześciokątne wysokie z podtoczeniem do połączeń kołnierzowych typu N, T, NF

Normy: PN-68/H-74303, PN-EN ISO 1515-1, DIN 2510.

Pręty gwintowane

Normy: PN-EN ISO 1515-1, DIN 975, DIN 976.

Kołnierze płaskie do przyspawania

Normy: PN-EN 1092-1 typ 01.

Kołnierze płaskie z króćcami

Normy:

Kołnierze zaślepiające

Normy: PN-EN 1092-1 typ 05

Kołnierze szyjkowe

Normy: PN-EN 1092-1 typ 11

Kołnierze gwintowane

Normy: PN-87/H-74735, DIN 2566

Kołnierze luźne, pierścienie do przyspawania

Normy: PN-EN 1092-1 typ 02 i 032;02 i 033; 04 i 034.

Kolana hamburskie, łuki gładkie

Normy: DIN 2605, PN-EN 10253.

Trójniki, dna elipsoidalne, rury bez szwu i ze szwem, mufki

Normy: DIN 2615, DIN 28011, DIN 28013.

Króćce do przyspawania i gwintowane (długie i krótkie)

Normy: BRAK

Zwężki obciskane

Normy: DIN 2616.

Uszczelki dla kołnierzy wykonane są z materiałów bezazbestowych oraz gumy

Normy: BRAK

Zawory

Normy: BRAK
Śruby
według gatunków materiału

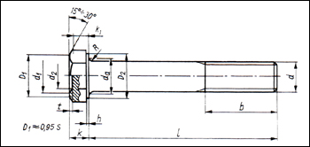
Śruba z łbem sześciokątnym z gwintem na części trzpienia z gwintem metrycznym, calowym i drobnozwojnym

Normy: PN-85/M-82101, PN-EN ISO 4014, DIN 931, DIN 601, DIN 960, ISO 4014, ISO 4016, ISO 8765.
Klasa: KL. 4.6; 4.8; 5.6; 8.8; 10.9; 12.9. MS, AL, A2, A4, Poliamid,Tytan.

Śruba z łbem sześciokątnym z gwintem na całej długości trzpienia, z gwintem metrycznym, calowym i drobnozwojnym, oraz z przecięciem prostym

Normy: PN-85/M-82105, PN-EN ISO 4017, DIN 933, DIN 558, DIN 961, DIN 933SZ, ISO 4017, ISO 4018, ISO 8676.
Klasa: KL.4.6; 4.8, 5.6, 8.8; 10.9; 12.9 MS, AL, A2, A4, Tytan, Poliamid

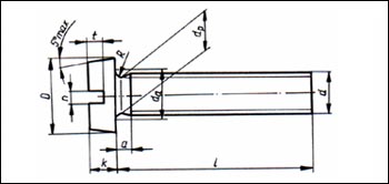
Śruba z łbem walcowym z gniazdem sześciokątnym (imbus), oraz TORX, z gwintem metrycznym, calowym i drobnozwojnym

Normy: PN-87/M-82302, DIN 912, ISO 4762, ISO 14579, ISO 14580
Klasa: KL.8.8; 10.9; 12.9 A2, A4, Poliamid.

Śruba z gniazdem sześciokątnym, oraz TORX.

Normy: ISO 7380, ISO 14583.
Klasa: KL.4.6; 8.8; 10.9 A2, A4, MS.

Śruba z obniżanym łbem walcowym z gniazdem sześciokątnym i TORX.

Normy: DIN 6912, DIN 7984, ISO 14580.
Klasa: KL.8.8; 10.9; 12.9 A2, A4.

Śruba z łbem młoteczkowym

Normy: PN-75/M-82424 PN-75/M-82418, DIN 186, DIN 188
Klasa: KL.4.6 A2, A4.

Śruba motylkowa

Normy: PN-64/M-82436, DIN 316
Klasa: KL.4.8 A2, MS, Poliamid

Śruba oczkowa

Normy: PN-77/M-82425 PN-77/M-82426 DIN 444
Klasa: KL.4.6 A2, A4, MS

Śruba z łbem radełkowanym wysokim

Normy: PN-88/M-82456, DIN 464
Klasa: KL.4.8 A2, A4, MS

Śruba z łbem radełkowanym niskim

Normy: PN-88/M-82457, DIN 653
Klasa: KL.4.8, A2, A4, MS

Śruba z łbem kwadratowym

Normy: PN-87/M-82301, DIN 478
Klasa: KL.5.8; 8.8; 10.9

Śruba dociskowa z łbem kwadratowym z końcem walcowym.

Normy: PN-87/M-82307, DIN 479
Klasa: KL.5.8; 8.8; 10.9

Śruba dociskowa z łbem kwadratowym z czopem soczewkowym.

Normy: PN-87/M-82308, DIN 480
Klasa: KL.5.8; 8.8; 10.9

Śruba dociskowa z łbem sześciokątnym z czopem walcowym

Normy: PN-83/M-82303, DIN 561
Klasa: Mat. 14H, 22H A2, A4

Śruba dociskowa z łbem sześciokątnym z czopem stożkowym.

Normy: PN-83/M-82304, DIN 564
Klasa: Mat. 14H, 22H, A2, A4

Śruba fundamentowa

Normy: PN-84/M-85061, DIN 529
Klasa: KL.3.6 A2, A4

Śruba podsadzana z łbem grzybkowym.

Normy: PN-87/M-82406 , DIN 603, ISO 8677, ISO 8678
Klasa: KL.4.6; 8.8; A2, A4, MS, Poliamid

Śruba noskowa z łbem stożkowym.

Normy: PN-91/M-82408, DIN 604
Klasa: KL.4.6; 8.8

Śruba dwunoskowa.

Normy: DIN 11014, DIN 25195
Klasa: KL.3.6; 4.6

Śruba z uchem.

Normy: PN-77/M-82472, DIN 580
Klasa: C-15 A2, A4

Śruba z łbem stożkowym z dużym i małym podsadzeniem kwadratowym.

Normy: PN-87/M-82402, DIN 605, DIN 608
Klasa: KL.4.6; 8.8

Śruba z łbem kulistym z noskiem.

Normy: PN-91/M-82410, DIN 607
Klasa: KL.4.6

Śruba z łbem sześciokątnym do połączeń sprężanych.

Normy: PN-91/M-82343, DIN 6914, ISO 7411, ISO 7412
Klasa: KL.10.9

Śruba pasowana z łbem sześciokątnym.

Normy: PN-91/M-82341, PN-91/M-82342, DIN 609, DIN 610
Klasa: KL.5.6; 8.8, A2, A4

Śruba pasowana HV z łbem sześciokątnym.

Normy: DIN 7999
Klasa: KL.10.9

Śruba pasowana z łbem walcowym z gniazdem sześciokątnym.

Normy: DIN 9841, ISO 7379
Klasa: KL.10.9; 12, 9

Śruba napinająca otwarta (rzymska).

Normy: PN-M -82269, DIN 1480
Klasa: KL.3.6, A4

Śruba napinająca rurowa.

Normy: PN-M-82268, DIN 1478
Klasa: St. 35, St. 50-2 A2, A4

Śruba z łbem sześciokątnym z kołnierzem.

Normy: PN-M-82247, DIN 6921
Klasa: PN-M-82247, DIN 6921

Śruba samozabezpieczająca z łbem sześciokątnym typu RIPP, TENSILOCK, DURLOK

Normy:
Klasa: 90/100 KL.10.9; 12.9

Śruba z łbem imbusowym samozabezpieczająca typu VERBUS-RIPP.

Normy:
Klasa: 100; KL.12.9

Śruba do konstrukcji stalowych

Normy: DIN 7990
Klasa: KL.4.6; 5.6

Śruba dwustronna o długości części wkręcanej 1d, 1,25d, 2d.

Normy: PN-90/M-82125, PN-90/M-82131, PN-90/M-82137, DIN 938, DIN 939, DIN 835, DIN 940
Klasa: KL.5.8; 8.8; 10.9. A2, A4, MS

Pręt gwintowany 1m, 2m z gwintem metrycznym, calowym, trapezowym.

Normy: DIN 975
Klasa: KL.4.8; 5.8; 8.8; 10.9, A2, A4, MS, Poliamid

Króciec gwintowany.

Normy: DIN 976
Klasa: KL.4.8; 5.8, 8.8, 10.9, A2, A4, MS, Poliamid

Śruba dwustronna do połączeń kołnierzowych

Normy: PN-68/H-74302, DIN 2510

Śruba do rowków teowych

Normy: PN-M-61271, DIN 787
Klasa: KL12.9

Śruba (wkręt) z łbem walcowym z gniazdem prostym z czopem walcowym.

Normy: DIN 922
Klasa: KL.5.8, A1, A2, A4, MS

Śruba (wkręt) z łbem stożkowym z przecięciem prostym z czopem walcowym.

Normy: DIN 925
Klasa: KL.5.8, A1, A2, A4, MS

Śruba (wkręt) z dużym łbem walcowym z przecięciem prostym.

Normy: DIN 927
Klasa: 14H, A1, A2, A4, MS

Śruba z łbem sześciokątnym z otworem pod zawleczkę.

Normy: PN-M-82070, DIN 962, ISO 7378, ISO 8991

Śruba z łbem kulistym z podsadzeniem kwadratowym.

Normy: DIN 5903
Klasa: KL.4.6

Śruba do konstrukcji z częścią pasowaną.

Normy: DIN 7968
Klasa: KL.5.6; 8.8

Śruba z łbem stożkowym do konstrukcji

Normy: DIN 7969
Klasa: KL. 4.6; 5.6

Śruba talerzowa (rymarska).

Normy: DIN 15237
Klasa: KL. 3.6

Śruby z łbem trójkątnym

Normy: PN-M-82450, DIN 22424, DIN 22425
Klasa: KL.5.8; 8.8, A1, A2, MS

Śruba klamrowa.

Normy: DIN 25193
Klasa: KL. 3.6; 4.6

Śruba do zgrzewania

Normy: DIN 34817
Klasa: KL.8.8

Śruba hakowa.

Normy:
Klasa: KL.4.6

Nakrętki sześciokątne wysokie z podtoczeniem do połączeń kołnierzowych typu N, T, NF

Normy: PN-68/H-74303, PN-EN ISO 1515-1, DIN 2510.
Nakrętki
Nakrętki sześciokątne wysokie z podtoczeniem do połączeń kołnierzowych PN-68/H-74303

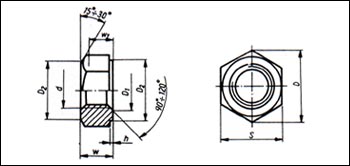
Nakrętka sześciokątna z gwintem metrycznym, calowym, drobnozwojnym.

Normy: PN-86/M-82144, PN-EN ISO 4032, DIN 934, DIN 555, ISO 4032, ISO 4034
Klasa: KL. 5; 8; 10; 12 MS, A2, A4, Tytan, Poliamid, AL

Nakrętka sześciokątna niska

Normy: PN 82153 PN-EN 24035 DIN 439, DIN 936 ISO 4035, ISO 4036, ISO 8675
Klasa: KL. 04, 05, 17H, 22H, A2, A4, MS, AL.

Nakrętka samozabezpieczająca z wkładką poliamidową z gwintem metrycznym, calowym i drobnozwojnym. Wysokość normalna i niska

Normy: PN-85/M-82175, DIN 982, DIN 6925, DIN 985, DIN 6926, ISO 7040, ISO 7043, ISO 7042
Klasa: KL.5; 6; 8; 10; 12 A2, A4, MS, AL

Nakrętka samozabezpieczająca z gwintem odkształconym.

Normy: PN-88/M-82176 , DIN 980, DIN 6927, ISO 7042, ISO 7044.
Klasa: KL. 5; 8; 10; 12, A2, A4, MS, AL.

Nakrętka kwadratowa.

Normy: PN-88/M-82151 , DIN 557, DIN 562
Klasa: KL.5, A2, A4, MS, AL.

Nakrętka koronowa zwykła i niska.

Normy: PN-86/M-82148, PN-86/M-82159, DIN 935, DIN 937, DIN 979, ISO 7035, ISO 7036, ISO 7038
Klasa: KL.6; 8; 10, 04, 05, 14H, 17H, 22H, A2, A4, MS.

Nakrętka kołpakowa.

Normy: PN-88/M -82181, DIN 1587
Klasa: KL. 6; 8, A2, A4, MS, AL, Poliamid

Nakrętka kołpakowa samozabezpieczająca z wkładką poliamidową.

Normy: DIN 986
Klasa: KL.5; 6; 8; 10. A2, A4.

Nakrętka ślepa

Normy: PN-88/M-82182, DIN 917
Klasa: KL.6, 8., A2, A4, MS, AL, Poliamid

Nakrętka skrzydełkowa

Normy: PN-64/M-82439, DIN 315
Klasa: KL.4.8, A2, A4, MS, Poliamid

Nakrętka sześciokątna do połączeń sprężanych.

Normy: PN-83/M-82171, DIN 6915, ISO 7414
Klasa: KL.10.9

Nakrętki sześciokątne wysokie z podtoczeniem do połączeń kołnierzowych typu N, T, NF

Normy: PN-68/H-74303, PN-EN ISO 1515-1, DIN 2510.

Nakrętka z uchem.

Normy: DIN 582
Klasa: C-15, A2, A4.

Nakrętka z gwintem rurowym – G

Normy: DIN 431
Klasa: 14 H, A2, A4, MS

Nakrętka teowa.

Normy: PN-61275, DIN 508, ISO 299
Klasa: ISO 299 KL. 4.8

Nakrętka okrągła

Normy: DIN 981, DIN 547, DIN 548, DIN 1804

Nakrętka sześciokątna do zgrzewania

Normy: PN-82169, DIN 929
Klasa: IKL.4.8, A2, A4

Nakrętka kwadratowa do zgrzewania.

Normy: DIN 928
Klasa: KL.4.8, A2, A4

Nakrętka kołnierzowa zwykła, samozabezpieczająca, z wkładką poliamidową i gwintem odkształconym.

Normy: PN 61272, PN 82168, DIN 6331, DIN 977, DIN 6923, DIN 6926, DIN 6927, ISO 4161, ISO 7043, ISO 7044
Klasa: KL.5;8;10;12, A2, A4.

Nakrętka napinająca rurowa.

Normy: PN 82268, DIN 1478
Klasa: St. 35, A2, A4.

Nakrętka napinająca „rzymska” otwarta.

Normy: PN 82269, DIN 1480
Klasa: KL. 3.6, A4.

Nakrętka sześciokątna wysoka, długa.

Normy: PN-86/M-82155, PN-83/M-82157
Klasa: KL.5; 8; 10, A2, A4

Nakrętka samozabezpieczająca typu: TENSILOCK, RIPP, DURLOCK.

Normy:
Klasa: KL.10; 12

Nakrętka klatkowa.

Normy:
Klasa: K KL. 4.8

Nakrętka samozabezpieczająca.

Normy: DIN 7967
Klasa: St. A2
Podkładki

Podkładka okrągła

Normy: PN-78/M-82005, PN-EN ISO 7090, DIN 125, DIN 126, ISO 7089, ISO 7090, ISO 7091
Klasa: St, 300 HV, A2, A4, MS, Miedź, AL, Poliamid.

Podkładka okrągła do wkrętów

Normy: PN78/M-82007, DIN 433, ISO 7092
Klasa: St A2, A4, MS.

Podkładka sprężysta

Normy: PN-77/M-82008, PN-EN ISO 7092, DIN 127, DIN 128
Klasa: St, A1, A2, Brąz

Podkładka sprężysta do śrub o łbach walcowych

Normy: DIN 7980
Klasa: St. A2, A4

Podkładka okrągła do sworzni.

Normy: PN-90/M-82004, PN-EN 28783, DIN 1440, DIN1441, ISO 8783
Klasa: St, A2, A4, MS

Podkładka okrągła powiększona

Normy: PN-59/M-82030, DIN 9021, ISO 7093
Klasa: St, A2, A4, MS, AL

Podkładka okrągła do konstrukcji stalowych

Normy: DIN 7989
Klasa: St, A2, A4

Podkładka sprężysta ząbkowana wewnętrznie

Normy: PN-82/M-82023, DIN 6797 J
Klasa: St, A2, Brąz

Podkładka sprężysta ząbkowana zewnętrznie

Normy: PN-82/M-82024, DIN 6797 A, DIN 6797 V
Klasa: St, A2, Brąz

Podkładka sprężysta przecinana wewnętrznie

Normy: DIN 6798 J
Klasa: St, A2, Brąz

Podkładka sprężysta przecinana zewnętrznie

Normy: DIN 6798 A, DIN 6798 V
Klasa: St, A2, Brąz

Podkładka podatna łukowa

Normy: PN-83/M-82038, DIN 137 A
Klasa: St, A2, Brąz

Podkładka podatna falista

Normy: PN-83/M-82037, DIN 137 B
Klasa: St, A2, Brąz

Podkładka do połączeń sprężanych -HV

Normy: PN-83/M-82039 , DIN 6916, ISO 7415
Klasa: C -45

Podkładka klinowa do ceowników zwykła i do połączeń sprężanych – HV

Normy: PN-79/M-82018, DIN 434, DIN 6918
Klasa: St, A2, A4, C-45

Podkładka klinowe do dwuteowników zwykła i do połączeń sprężanych – HV

Normy: PN-79/M-82009, DIN 435, DIN 6917
St, A2, A4, C-45

Podkładka kwadratowa w konstrukcjach drewnianych

Normy: PN-59/M-82010, DIN 436
Klasa: St. A2, A4

Podkładka okrągła w konstrukcjach drewnianych

Normy: DIN 440, ISO 7094
Klasa: St.

Podkładka odginana z noskiem zewnętrznym

Normy: PN-82/M-82011, DIN 432
Klasa: St. A2, A4 MS, Miedź

Podkładka odginana z noskiem wewnętrznym

Normy: PN-82/M-82016, DIN 462
Klasa: St. A2, A4, MS, Miedź

Podkładka odginana jednołapkowa

Normy: PN-82/M-82021 , DIN 93
Klasa: St. A2, A4, MS

Podkładka odginana dwułapkowa

Normy: PN-82/M-82022, DIN 463
Klasa: St. A2, A4, MS, Miedź

Podkładka dystansowa pasowana oporowa.

Normy: DIN 988
Klasa: St. A2, A4

Podkładka – sprężyna talerzowa

Normy: DIN 2093 ABC
Klasa: St. A2, A4 Brąz

Podkładka do nakrętek okrągłych

Normy: DIN 5406, DIN 70952
Klasa: St.

Podkładka kulista i stożkowa

Normy: PN-78/M-82026, PN-78/M-82028, DIN 6319 C, DIN 6319 D
Klasa: St.

Podkładka okrągła sprężysta

Normy: DIN 6796, ISO 10670
Klasa: St. A2

Podkładka do kołków sprężystych

Normy: DIN 7349
Klasa: St. A2

Podkładka do korków

Normy: DIN 7603
Klasa: Miedź, AL

Podkładka sprężysta do kół

Normy: DIN 74361
Klasa: St.

Podkładka samozabezpieczająca typu SCHNORR

Normy:
Klasa: St. A2, A4

Podkładka okrągła samozabezpieczająca

Normy:
Klasa: St. A2, Brąz

Podkładka NORD-LOCK

Normy:
Klasa: St. A4

Podkładki do wkrętów

Normy:
Klasa: St. A2, A4, MS, AL

Łączniki jednostronne i dwustronne do drewna

Normy: DIN 1052
Wkręty

Wkręt z łbem walcowym z rowkiem.

Normy: PN-85/M-82215, (PN-EN ISO 1207) , DIN 84, DIN 85, ISO 1207, ISO 1580.
Klasa: KL. 4.8; 5.8; 8.8 A1, A2, A4 MS, AL, Miedź, Poliamid

Wkręt z łbem walcowym z wgłębieniem krzyżowym.

Normy: PN-86/M-82202, DIN 7985, ISO 7045.
Klasa: KL.4.8; 5.8; 8.8; A2, A4, MS.

Wkręt z łbem stożkowym.

Normy: PN-85/M -82207 (PN-EN ISO 2009), DIN 963, ISO 2009.
Klasa: KL.4.8; 5.8; 8.8 A1, A2, A4 MS, AL, Miedź, Poliamid

Wkręt z łbem stożkowym z wgłębieniem krzyżowym.

Normy: PN-86/M-82208 (PN-EN ISO 7046), DIN 965, ISO 7046.
Klasa: KL. 4.8; 5.8; 8.8, A2, A4, MS.

Wkręt z łbem stożkowym z wgłębieniem sześciokątnym i TORX.

Normy: DIN 7991, ISO 10642, ISO 14581.
Klasa: KL.8.8; 10.9 A2, A4, MS.

Wkręt z łbem stożkowo-soczewkowym

Normy: PN-85/M-82211, (PN-EN ISO 2010), DIN 964, ISO 2010.
Klasa: KL.4.8; 5.8; 8.8 A1, A2, A4 MS, AL, Poliamid

Wkręt z łbem stożkowo-soczewkowym z wgłębieniem krzyżowym.

Normy: PN-86/M-82212, DIN 966, ISO 7047.
Klasa: KL.4.8; 5.8; 8.8; A2, A4 MS.

Wkręt z łbem walcowym z podkładką.

Normy: DIN 967
Klasa: KL.4.8; 8.8; A2, A4 MS.

Wkręt z otworem do plombowania.

Normy: DIN 404
KL.4.8; A2, A4 MS.

Wkręt z łbem walcowym zmniejszonym.

Normy: PN-82/M-82281, DIN 920
Klasa: KL.5.8; A2, A4 MS.

Wkręt z łbem walcowym powiększonym.

Normy: PN-82/M-82280, DIN 921
Klasa: KL.5.8 A2, A4, MS.

Wkręty (śruby) samoformujące -gwint metryczny

Normy: DIN 7500
Klasa: St. 450HV

Wkręty (śruby) samogwintujące -gwint metryczny.

Normy: DIN 7513, DIN 7516
Klasa: St. 450HV

Wkręty (śruby) fasadowe do poszyć dachowych.

Normy:
Klasa: St. 500HV, A2

Blachowkręt z łbem walcowym z przecięciem prostym.

Normy: PN-79/M-83106, DIN 7971, ISO 1481
Klasa: St. A2, A4

Blachowkręt z łbem stożkowym z przecięciem prostym.

Normy: PN-79/M-83102, DIN 7972, ISO 1482
Klasa: St. A2, A4

Blachowkręt z łbem stożkowo-soczewkowym z przecięciem prostym.

Normy: PN-79/M-83104, DIN 7973, ISO1483
Klasa: St. A2, A4

Blachowkręt z łbem walcowym z wgłębieniem krzyżowym.

Normy: PN-79/M-83116, DIN 7981, ISO 7049
St. A2, A4

Blachowkręt z łbem stożkowym z wgłębieniem krzyżowym.

Normy: PN-79/M-83114, DIN 7982, ISO 7050
Klasa: St. A2, A4

Blachowkręt z łbem stożkowo-soczewkowym z wgłębieniem krzyżowym.

Normy: PN-79/M-83115, DIN 7983, ISO 7051
St. A2, A4

Blachowkręt z łbem sześciokątnym.

Normy: PN-85/M-83101, DIN 7976, DIN 6928, ISO 1479, ISO 7053
Klasa: St. A2, A4

Blachowkręt z łbem walcowym i kołnierzem.

Normy: DIN 968
Klasa: St. 8.8, A2, A4, MS

Blachowkręt samowiercący z łbem stożkowym, walcowym i sześciokątnym.

Normy: DIN 7504, ISO 15480, ISO 15481, ISO 15482, ISO 15483
Klasa: St. 540 HV

Blachowkręt z zaślepką.

Normy:
Klasa: St. A2, A4

Wkręt do drewna z łbem kulistym z przecięciem prostym.

Normy: PN-85/M-82505, DIN 96
Klasa: St. A2, A4 MS, Miedź, AL.

Wkręt do drewna z łbem stożkowym z przecięciem prostym.

Normy: PN-85/M-82503, DIN 97
Klasa: St. A2, A4, MS, Miedź, AL

Wkręt do drewna z łbem stożkowosoczewkowym z przecięciem prostym.

Normy: PN-85/M-82504, DIN 95
Klasa: St. A2, A4, MS, Miedź, AL

Wkręt do drewna z łbem sześciokątnym.

Normy: PN-85/M-82501, DIN 571
St. A2, A4, MS

Wkręt do drewna z łbem kulistym z wgłębieniem krzyżowym.

Normy: PN-85/M-82505, DIN 7996
Klasa: St .A2, A4, MS, Miedź, AL

Wkręt do drewna z łbem stożkowym z wgłębieniem krzyżowym.

Normy: PN-85/M-82503, DIN 7997
Klasa: St. A2, A4, MS, AL, Miedź

Wkręt do drewna z łbem stożkowo soczewkowym z wgłębieniem krzyżowym.

Normy: PN-85/M-82504, DIN 7995
Klasa: St. A2, A4, MS, AL, Miedź

Wkręt do drewna z gwintem wewnętrznym metrycznym.

Normy: DIN 7965
Klasa: St. A2, A4, MS, AL, Poliamid

Wkręt do płyt gipsokartonowych.

Normy: DIN 18182
Klasa: St.

Wkręty ABC – SPAX, oraz z gniazdem TORX.

Normy:
Klasa: St. A2, MS

Wkręty samoformujące -gwint metryczny.

Normy: DIN 7500
Klasa: St. 450HV

Wkręty samogwintujące -gwint metryczny.

Normy: DIN 7513, DIN 7516
Klasa: St. 450HV

Wkręty fasadowe do poszyć dachowych.

Normy:
Klasa: St. 500HV, A2

Wkręty do tworzywa.

Normy:
Klasa: St.

Wkręt dociskowy z gniazdem sześciokątnym z końcem płaskim.

Normy: PN-84/M-82314, DIN 913, ISO 4026
Klasa: 45H, A2, A4

Wkręt dociskowy z gniazdem sześciokątnym z końcem stożkowym.

Normy: PN-84/M-82315, DIN 914, ISO 4027
Klasa: 45H, A2, A4

Wkręt dociskowy z gniazdem sześciokątnym z końcem walcowym.

Normy: PN-84/M-82316, DIN 915, ISO 4028
Klasa: 45H, A2, A4

Wkręt dociskowy z gniazdem sześciokątnym z końcem wgłębionym.

Normy: PN-84/M-82317, DIN 916, ISO 4029
Klasa: 45H, A2, A4

Wkręt dociskowy z końcem płaskim z gwintem na części długości trzpienia z przecięciem prostym.

Normy: PN-83/M-82271, DIN 427, ISO 2342
Klasa: 14H, A2, A4, MS

Wkręt dociskowy z końcem płaskim z gwintem na całej długości z przecięciem prostym.

Normy: PN-92/M-82272, DIN 551, ISO 4766
Klasa: 14H, A2, A4, MS, Poliamid

Wkręt dociskowy z końcem stożkowym z przecięciem prostym.

Normy: PN-92/M-82273, DIN 553, ISO 7434
Klasa: 14H, A2, A4, Mosiądz, Poliamid

Wkręt dociskowy z końcem walcowym z przecięciem prostym.

Normy: PN-92/M-82276, DIN 417, DIN 926, ISO 7435
Klasa: 14H, A2, A4, MS

Wkręt dociskowy z końcem wgłębionym z przecięciem prostym.

Normy: PN-92/M-82274, DIN 438, ISO 7436
Klasa: 14H, A2, A4, MS

Wkręt dociskowy z czopem z przecięciem prostym.

Normy: DIN 6332
Klasa: KL. 5.5; 8.8

Wkręt dociskowy z kulką z przecięciem prostym.

Normy:
Klasa: 14H, 45H, A2, A4
Kołki i sworznie

Sworzeń z łbem i czopem gwintowym

Normy: PN 83007, DIN 1445
Klasa: St. A2, A4, MS, AL

Kołek walcowy

Normy: PN-89/M-85021, DIN 7, ISO 2338
St. A2, A4, MS

Kołek walcowy hartowany

Normy: DIN 6325, ISO 8734
Klasa: St.

Kołek walcowy z gwintem wewnętrznym

Normy: PN-89/M-85018, DIN 7979, ISO 8733, ISO 8735
Klasa: St. A2, A4

Kołek stożkowy

Normy: PN-89/M-85020, DIN 1, ISO 2339
Klasa: St. A2, A4, MS

Kołek stożkowy z gwintem wewnętrznym

Normy: PN-EN 28736, PN-89/M-85019, DIN 7978, ISO 8736
Klasa: St. A2, A4

Kołek stożkowy z czopem gwintowym

Normy: PN-89/M-85022, DIN 7977, ISO 8737
Klasa: St. A2, A4

Kołek sprężysty zwykły i cienkościenny

Normy: PPN-89/M-85023, DIN 1481, DIN 7346, ISO 8752, ISO 13337
Klasa: St. A2

Kołek sprężysty zwijany

Normy: PN-89/M-85029, DIN 7343, DIN 7344, ISO 8750, ISO 8751, ISO 8748
Klasa: St. A2

Kołek z karbami na całej długości

Normy: PN-91/M-85024, DIN 1473, ISO 8740
Klasa: St. A2, A4, MS, AL, Poliamid

Kołek z karbami zbieżnymi na połowie długości

Normy: PN-91/M-85026, PN-EN ISO 8745, DIN 1472, ISO 8745
Klasa: St. A2, A4, MS, AL, Poliamid

Kołek z karbami na różnej części długości

Normy: PN-91/M-85026, PN-91/M-85027, DIN 1469, DIN 1474, DIN 1475, ISO 8741, ISO 8742, ISO 8743
Klasa: St. A2, A4, MS, AL, Poliamid

Sworzeń bez łba z otworami i bez otworów

Normy: PN-M-83001, DIN 1433, DIN 1443, ISO 2340
Klasa: St. A2, A4, MS, AL

Sworzeń z łbem z otworem i bez otworu

Normy: PN-M-83002, DIN 1444, DIN 1434, DIN 1435, DIN 1436, ISO 2341
Klasa: St. A2, A4, MS, AL,
Nity

Nit z łbem kulistym

Normy: PN-88/M-82952, DIN 660, DIN 124, ISO 1051
Klasa: St. A2, A4, MS, Miedź, AL

Nit z łbem stożkowym

Normy: PN-88/M-82954, DIN 661, DIN 302, DIN 675, ISO 1051
Klasa: St. A2, A4, MS, Miedź, AL

Nit z łbem stożkowo-soczewkowym

Normy: PN-88/M-82957, DIN 662, ISO 1051
Klasa: St. A2, MS, Miedź, AL

Nit z łbem grzybkowym

Normy: PN 82958, DIN 674
Klasa: St. MS, Miedź, AL

Nit drążony i rurkowy

Normy: PN 82974, PN 82976, PN 82972, PN 82973, DIN 7338, DIN 7339, DIN 7340, DIN 6791, DIN 6792,
Klasa: St. MS, Miedź, AL

Nit zrywalny

Normy: PN-M-82971, DIN 7337, ISO 15973, ISO 15984
Klasa: St. A2, A4, AL, Miedź, Poliamid

Nitokołek z łbem kulistym

Normy: PN-78/M-82981, DIN 1476, ISO 8746
St. A2, A4, MS, AL, Poliamid

Nitokołek z łbem stożkowym

Normy: PN-78/M-82982, DIN 1477, ISO 8747
Klasa: St. A2, A4, MS, AL, Poliamid

Nitokołek z nacięciem spiralnym

Normy:
Klasa: St. A2
Pręty budowlane
według gatunków materiału
Śruby dla kolei i górnictwa
Asortyment:
Wyroby wykonane obróbką skrawaniem w/g wzorów i rysunków
Wykonujemy wyroby realizowane metodą obróbki skrawaniem na podstawie dostarczonych wzorów, rysunków technicznych lub dokumentacji klienta. Zapewniamy wysoką precyzję wykonania, powtarzalność produkcji oraz indywidualne podejście do każdego zamówienia, dostosowując parametry technologiczne do wymagań branżowych i jakościowych.

Aby otrzymać szczegółowe informacje prosimy o kontakt z firma pod numerami 515 107 382 lub 508 059 734 Zapraszamy.
Odkuwki półwyrobów
Produkujemy odkuwki półwyrobów wykonywane zgodnie z dokumentacją techniczną lub wytycznymi klienta, z zachowaniem wysokich standardów jakości i wytrzymałości materiałowej. Oferujemy możliwość dalszej obróbki mechanicznej oraz dostosowania parametrów technologicznych do indywidualnych potrzeb produkcyjnych.

Aby otrzymać szczegółowe informacje prosimy o kontakt z firma pod numerami 515 107 382 lub 508 059 734 Zapraszamy.
Przewijanie do góry